Ремонт блока питания Power Rebel RB-S450HQ7-0

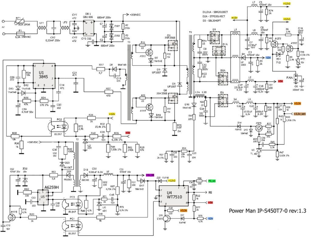
Блок питания на 450 Вт для настольного ПК, в один прекрасный момент блок питания просто перестал включаться, что неудивительно, поскольку ему уже около 13 лет, схему на эту модель не нашел, но нашел аналог, ниже она показана на рис.1. Это популярная модель, которая использовалась во многих ПК в то время.
Дежурное напряжение 5 В (фиолетовый провод) присутствует, в полном порядке, показывает порядка 5,09 В. При замыкании кнопки питания (зеленый провод на черный) блок питания стартует и тут же выключается, что видно по дерганию вентилятора. Отключил защиту (супервизор, контроль напряжения), замкнул 2 на 3 ногу микросхемы U4 (WT7510), блок питания включается, выдает стабилизированное напряжение, какое и должен. Притом после того, как он поработал начал включаться нормально (зеленым проводом, т.е. кнопкой питания). Поэтому причина поломки осталась загадка.
Проверил емкости (электролиты), мелкие, которые могли высохнуть: в ШИМ (микросхема U1/3184), С19 (4,7 мкФ) и C62 (47 мкФ) в дежурном блоке питания, который подает питание на ШИМ микросхему. Последний в полном порядке, к тому же он работает постоянно, проблема явно возникает при включении ШИМ. Емкость в ШИМ С19 показала значение 4,5 мкФ (заниженная), поэтому подозрение пало на неё. Она определяет время регулировки напряжения (ошибка по напряжению), а так же при включении определяет темп нарастания выходного напряжения. Поэтому заменил данную емкость, такую же не нашел, поэтому поставил 10 мкФ, 50 В, температура 105 С. Т.е. емкость в два раза больше номинальной, остальные параметры соответствуют (напряжение и температура). Схема работает с данной емкостью стабильно, поэтому её оставил.
А так же пропаял сомнительные пайки на плате, есть подозрительные места, возможно, причина была в них. Но, я думаю все же емкость С19 вышла из строя со временем (подсохла или начала коротить). Если будут изменения потом дополню информацию. Пока блок питания работает нормально, может кому будет полезная информация, схема популярная, многие компьютеры 10 летней давности с таким блоками питания и схожими проблемами.
