Размышления о скалярном электричестве
В данном исследовании провел простые опыты для получения зарядки накопительной емкости от скалярной волны, как я предполагаю.
А так же раздел посвящённый МЕТАФИЗИКЕ
В этой рубрике будет самое интересное, что заслуживает внимания и изучения, полученное на опытах.
В данном исследовании провел простые опыты для получения зарядки накопительной емкости от скалярной волны, как я предполагаю.
В опыте показывается и доказывается как правильно снять скалярную энергию с бифилярной катушки.
В статье объясняется принцип работы транзистора, где реализуется система нулевой точки, где работает система электронного и позитронного электричества.
Опыт, где получаем встречное напряжение на катушках, что формирует стоячую волну, дульный вид электричества, который заряжает емкость.
В данной статье описываю процессы планетарного перехода (инверсии полюсов), используя аналогию работы однослойной катушки в простом опыте, где позитронные токи…
В статье объясняется, что излучающая антенна это преобразователь переменного напряжения источника в однополярные импульсы.
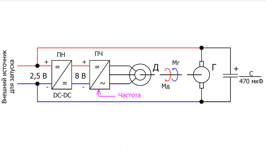
В статье речь идёт о природе силы сопротивления, возникающей во вращающихся генераторах и о возможном способе эту силу убрать.
В данном опыте получается скалярная волна в катушке и объясняется, чтобы скалярная энергия работала эффективно необходимо иметь два заземления, чтобы…
В данном простом опыте с бифилярной катушкой было получено электронное и позитронное излучение из катушки в поперечном направлении. Где электронная…
Речь в данной статье пойдет об устройстве Дональда Смита, это американский изобретатель, который использовал обычный неоновый трансформатор, как устройство для…
После отправки сообщения нажмите еще раз на кнопку «Написать мне сообщение», чтобы проверить статус отправки. Не забудьте поставить галочку проверки (reCAPTCHA), внизу на этой странице.