Простое доказательство электронно-позитронной природы тока

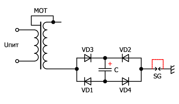
Схема опыта элементарная, берем трансформатор, например от микроволновки (МОТ) и подключаем один вывод на землю, через мостик выпрямительный и конденсатор, как показано ниже на схеме. Подключил тот вывод трансформатора, который без подключения на сердеченик (см. пояснение), чтобы получить больший зарядный ток.

Можно использовать разрядник (SG) в земляном проводе, в этом случае необходимо подавать напряжение на вход МОТ через ЛАТР, чтобы регулировать напряжение и попадать в максимум напряжения и подбирать разрядник. Но смысл от этого не меняется, без разрядника конденсатор (С) так же заряжается.
Если мы поставим один диод перед емкостью, то зарядка прекращается, что доказывает дуальную природу тока, что в цепи движется всегда электроно-позитронные токи и диодный мостик позволяет сепарировать потоки, поэтому получаем зарядку, а с одним диодом зарядки ёмкости не происходит. Если бы ток был, как говорит физика только электронным, то мы получили бы зарядку при одном диоде в цепи, но этого не происходит.
Пояснение! В МОТ всегда один вывод вторичной обмотки делается подключенным на сердеченик трансформатора. Думаю так делается для того, если заземляющий провод в сети отсутствует, чтобы МОТ давал максимальное напряжение на выходе, емкость седреченика создает ноль или около того на корпусе, а на другом конце трансформатора, подключенного к магнитрону получаем максимум напряжения, что и требуется. По моим набюдениям сердеченик, усиливающий магнитное поле усиливает так же емкость.