Перейти к содержимому

А так же раздел посвящённый МЕТАФИЗИКЕ

Email Email

m-fiz.ru

Cоздание, обслуживание и продвижение сайтов на WordPress

  • Главная
  • МетафизикаРазвернуть
    • Избранное
    • Мои видео
  • Мои фото
  • Портфолио
  • Контакты
  • Общий чатРазвернуть
    • Личный кабинет
    • Пользователи
  • О сайте
Email Email
m-fiz.ru
Cоздание, обслуживание и продвижение сайтов на WordPress
Главная / Метафизика / Электричество
  • Размышления о скалярном электричестве заставка
    Метафизика Избранное Электричество

    Размышления о скалярном электричестве

    Часы Опубликовано в30 декабря, 202530 декабря, 2025 Часы Обновлено30 декабря, 2025
    Комментарии 0 Комментарии

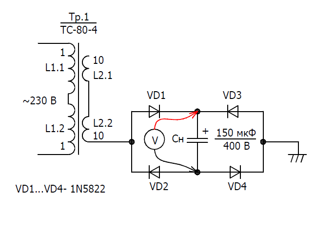
    В данном исследовании провел простые опыты для получения зарядки накопительной емкости от скалярной волны, как я предполагаю.

    Читайте далее Размышления о скалярном электричествеПродолжить

  • Съем скалярной энергии с бифилярной катушки заставка
    Метафизика Избранное Электричество

    Съем скалярной энергии с бифилярной катушки

    Часы Опубликовано в19 декабря, 202519 декабря, 2025 Часы Обновлено19 декабря, 2025
    Комментарии 2 Комментарии

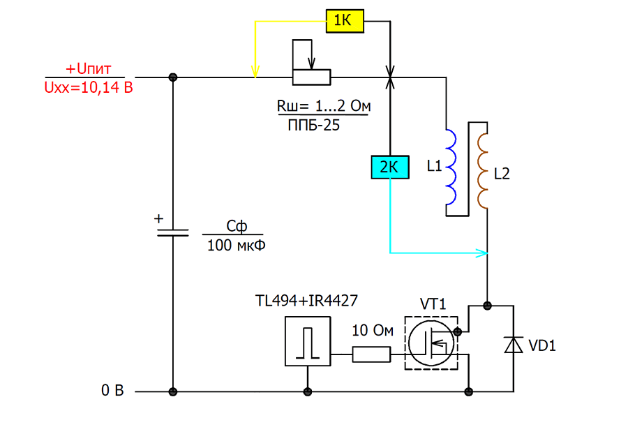
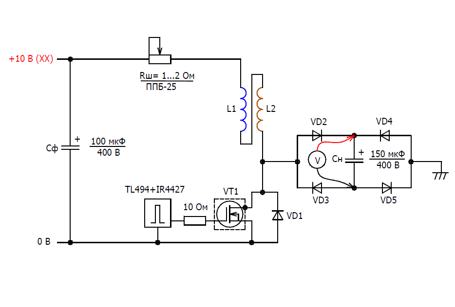
    В опыте показывается и доказывается как правильно снять скалярную энергию с бифилярной катушки.

    Читайте далее Съем скалярной энергии с бифилярной катушкиПродолжить

  • Принцип работы транзистора заставка
    Метафизика Избранное Электричество

    Принцип работы транзистора

    Часы Опубликовано в18 декабря, 202518 декабря, 2025 Часы Обновлено18 декабря, 2025
    Комментарии 0 Комментарии

    В статье объясняется принцип работы транзистора, где реализуется система нулевой точки, где работает система электронного и позитронного электричества.

    Читайте далее Принцип работы транзистораПродолжить

  • Опыт со встречными катушками заставка
    Метафизика Избранное Электричество

    Опыт со встречными катушками

    Часы Опубликовано в15 декабря, 202515 декабря, 2025 Часы Обновлено15 декабря, 2025
    Комментарии 0 Комментарии

    Опыт, где получаем встречное напряжение на катушках, что формирует стоячую волну, дульный вид электричества, который заряжает емкость.

    Читайте далее Опыт со встречными катушкамиПродолжить

  • Антенна- преобразователь заставка
    Метафизика Избранное Электричество

    Антенна- преобразователь

    Часы Опубликовано в2 декабря, 20252 декабря, 2025 Часы Обновлено2 декабря, 2025
    Комментарии 0 Комментарии

    В статье объясняется, что излучающая антенна это преобразователь переменного напряжения источника в однополярные импульсы.

    Читайте далее Антенна- преобразовательПродолжить

  • Вращающиеся генераторы заставка
    Метафизика Избранное Электричество

    Вращающиеся генераторы

    Часы Опубликовано в1 октября, 20251 октября, 2025 Часы Обновлено1 октября, 2025
    Комментарии 0 Комментарии

    В статье речь идёт о природе силы сопротивления, возникающей во вращающихся генераторах и о возможном способе эту силу убрать.

    Читайте далее Вращающиеся генераторыПродолжить

  • Скалярная волна заставка
    Электричество Избранное Метафизика

    Скалярная волна. Зачем нужно второе заземление

    Часы Опубликовано в15 сентября, 202515 сентября, 2025 Часы Обновлено15 сентября, 2025
    Комментарии 0 Комментарии

    В данном опыте получается скалярная волна в катушке и объясняется, чтобы скалярная энергия работала эффективно необходимо иметь два заземления, чтобы…

    Читайте далее Скалярная волна. Зачем нужно второе заземлениеПродолжить

  • Работа бифилярной катушки на емкостную нагрузку заставка
    Метафизика Электричество

    Работа бифилярной катушки на емкостную нагрузку

    Часы Опубликовано в14 сентября, 202514 сентября, 2025 Часы Обновлено14 сентября, 2025
    Комментарии 0 Комментарии

    В данном опыте исследуется работа бифилярной катушки на емкостную нагрузку, где возникают волновые токи при разрядке катушки. опыт неудачный с…

    Читайте далее Работа бифилярной катушки на емкостную нагрузкуПродолжить

  • Анализ энергии источника при излучении поперечной волны в катушке заставка
    Электричество Метафизика

    Анализ энергии источника при излучении поперечной волны в катушке

    Часы Опубликовано в15 августа, 20254 сентября, 2025 Часы Обновлено4 сентября, 2025
    Комментарии 0 Комментарии

    В данном опыте был проведен анализ потребления энергии источника в импульсе при получении поперечного излучения в катушке. Где в результате…

    Читайте далее Анализ энергии источника при излучении поперечной волны в катушкеПродолжить

  • 2_Катушка-волновой излучатель
    Метафизика Избранное Электричество

    Катушка-волновой излучатель

    Часы Опубликовано в10 августа, 202512 августа, 2025 Часы Обновлено12 августа, 2025
    Комментарии 0 Комментарии

    В данном простом опыте с бифилярной катушкой было получено электронное и позитронное излучение из катушки в поперечном направлении. Где электронная…

    Читайте далее Катушка-волновой излучательПродолжить

Навигация по страницам

1 2 3 … 18 Следующая страницаДалее

Написать мне сообщение

Только информация проверенная на опыте

Для сайдбара логотип
Войти

На сайте создан Общий чат


Рубрики

Последние записи

  • Новости метафизики заставка
    Новости по метафизике23 октября, 2022
  • Вибрации и энергии заставка
    Повышение вибраций13 января, 2026
  • 2026-01-12_001
    Фото январь 202612 января, 2026
  • Почему допущена темная сторона заставка
    Почему допущена темная сторона11 января, 2026
  • Кейшен ЦАП заставка
    Измерение параметров внешнего USB ЦАП KEYSION Dual CS4319811 января, 2026

Последние комментарии


Поскольку статьи в разделе "Метафизика" постоянно правятся, уточняются, пишите в комментариях по интересующей вас теме, напишу своё видение на сегодня, т.к. могут быть изменения, которые в старых статьях не всегда исправляю.


  1. o-lega к Съем скалярной энергии с бифилярной катушки20 декабря, 2025

    Да, блок питания осциллографа влияет, хотя там тоже, за счет скалярной волны зарядка получается. Потому как наличие емкости и замкнутой…

  2. Дмитрий к Съем скалярной энергии с бифилярной катушки20 декабря, 2025

    Ну так что ослик, что источник питания по ёмкостной через ноль с землёй соединён...

  3. DELAMORTO к Доска Дональда Смита6 ноября, 2025

    А что тут не понятного? Индуктор параллельно с кондером создает колебания на 1\4 волны катушек. Половина катушки это колебательный контур…

Метки

RAW обработка Астрология Гравитация Качер Опыты с электричеством Плоская Земля Позитронный ток Радиоволны Система Бедини Система Д. Бедини Система Н. Тесла Система Т. Капанадзе Скалярная энергия Скалярные волны Николаева Солитонные волны Схема Д. Смита Тест звукотехника Усилитель напряжения Усилитель тока антенна спрайты

m-fiz.ru

Политика конфиденциальности

Личный кабинет

Яндекс.Метрика

© 2026 m-fiz.ru

Авторизация
*
*
Вход Потеряли пароль ?
Авторизация
Генерация пароля
Получить новый пароль
Отправить мне сообщение на почту

После отправки сообщения нажмите еще раз на кнопку «Написать мне сообщение», чтобы проверить статус отправки. Не забудьте поставить галочку проверки (reCAPTCHA), внизу на этой странице.

 

Прокрутить вверх
  • Главная
  • Метафизика
    • Избранное
    • Мои видео
  • Мои фото
  • Портфолио
  • Контакты
  • Общий чат
    • Личный кабинет
    • Пользователи
  • О сайте
Поиск